Oltre 300.000 clienti - vi ringraziamo!

Oltre 40.000 prodotti per caccia e sport di tiro

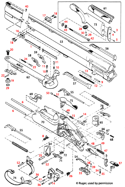
Esploso dettagliato dei componenti e delle parti del fucile Ruger® Red Label O/U con prefissi di serie 401, 411 e 420, utile per riparazioni e manutenzione.

Ruger® Red Label O/U S/N Prefix 401/411/420 Esploso - Scopri i dettagli delle esplosioni

Benvenuto nella sezione dedicata agli esplosi per il fucile Ruger® Red Label O/U con i prefissi di serie 401, 411 e 420. Qui troverai informazioni dettagliate sui componenti e le parti di ricambio di questo modello iconico. Gli esplosi sono strumenti fondamentali per la manutenzione e la riparazione delle armi, fornendo una guida chiara su come smontare e rimontare il tuo fucile. Ogni esploso è progettato per facilitare la comprensione delle parti e garantire un uso sicuro e efficace del tuo Ruger®. Scopri di più sui dettagli tecnici e le specifiche che rendono questo fucile unico nel suo genere.

Ruger® Red Label O/U S/N Prefix 401/411/420



Ruger® Red Label O/U S/N Prefix 401/411/420 Esploso


Ruger® Red Label O/U S/N Prefix 401/411/420
Clicca sul numero rosso per avere più informazioni sul prezzo e per poterlo aggiungere al carrello acquisti. Selezione SKU per vedere tutte le parti per questo esploso.

Ruger® Red Label O/U S/N Prefix 401/411/420 Parti


Torna all'inizio