Oltre 300.000 clienti - vi ringraziamo!

Oltre 40.000 prodotti per caccia e sport di tiro

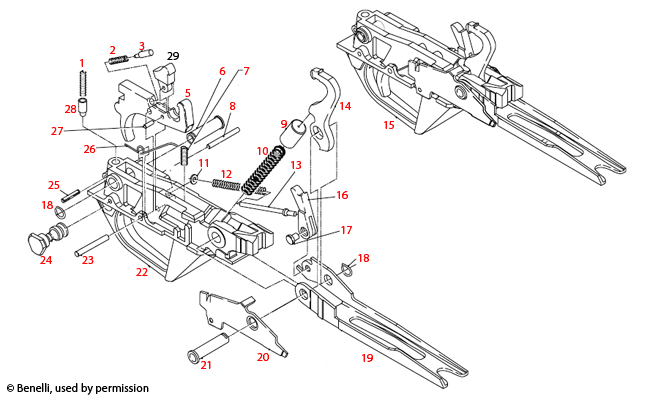
L'assemblaggio del grilletto per il fucile Super Black Eagle II di Benelli U.S.A.® include tutti i componenti necessari per una corretta sostituzione e manutenzione.

Benelli U.S.A.® Super Black Eagle II Trigger Assembly Esploso - Scopri la precisione dei dettagli

Benvenuti nella sezione dedicata all'Esploso del Super Black Eagle II di Benelli U.S.A.®. Qui troverete un'illustrazione dettagliata e completa dell'assemblaggio del grilletto, fondamentale per il corretto funzionamento del vostro fucile. Questo esploso vi permetterà di comprendere la disposizione dei componenti e facilitare eventuali operazioni di manutenzione o sostituzione. Ogni parte è identificata chiaramente, rendendo il processo di assemblaggio e disassemblaggio più semplice e intuitivo. Approfittate delle informazioni disponibili per mantenere il vostro fucile in condizioni ottimali e garantire prestazioni elevate in ogni situazione.

Benelli U.S.A.® Super Black Eagle II Trigger Assembly



Benelli U.S.A.® Super Black Eagle II Trigger Assembly Esploso


Benelli U.S.A.® Super Black Eagle II Trigger Assembly
Clicca sul numero rosso per avere più informazioni sul prezzo e per poterlo aggiungere al carrello acquisti. Selezione SKU per vedere tutte le parti per questo esploso.

Benelli U.S.A.® Super Black Eagle II Trigger Assembly Parti


Torna all'inizio